AMES Basic Training Manual for Standard Typewriters
By: Murray Harris
January, 1968
Underwood Standard Typewriter Repair
Cover Plates
Carriage Cover Plates
Carriage
Carriage Adjustment
Front Carriage Rail
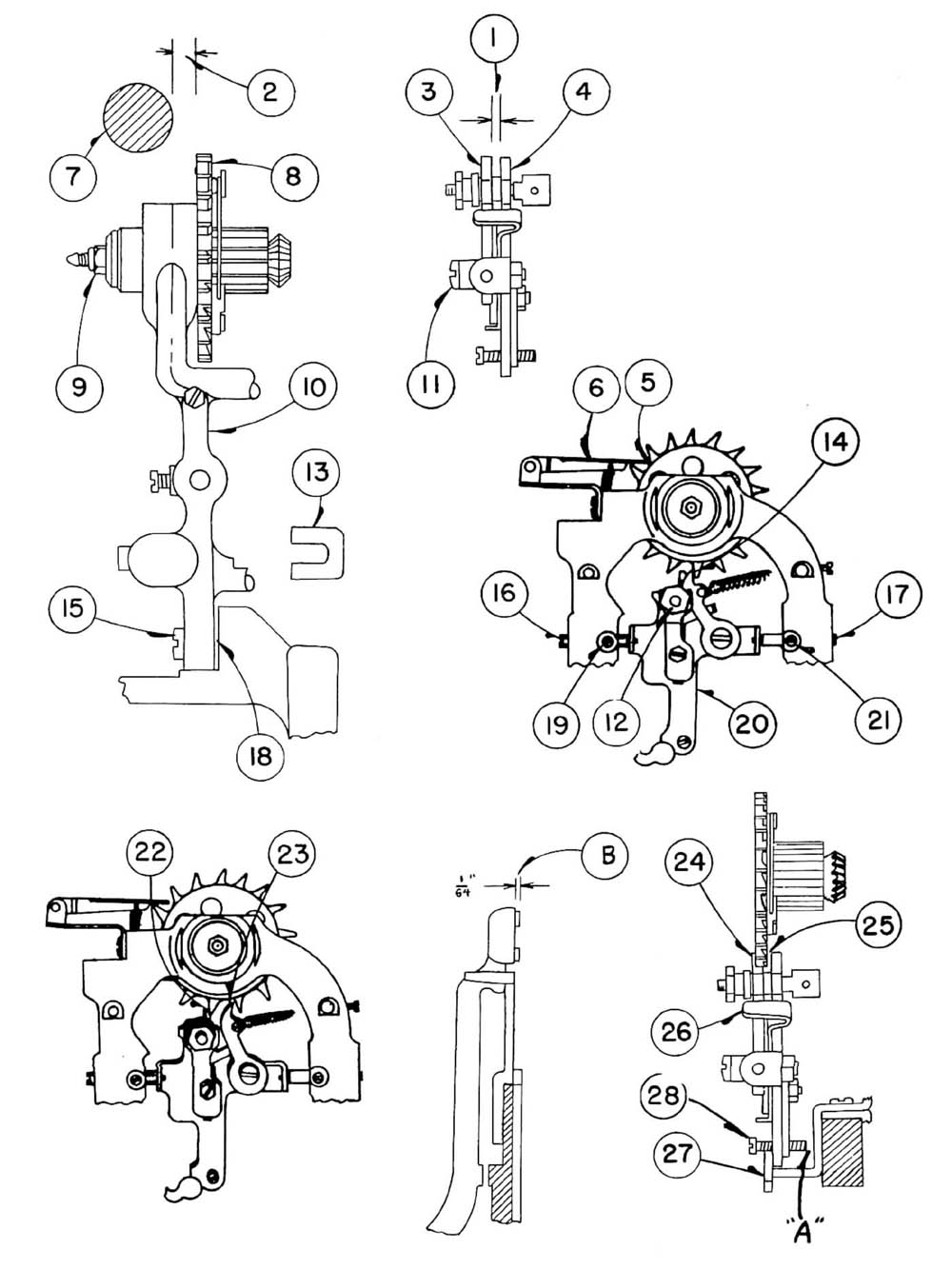
Rack
Line Space Lever
Variable
Mainspring
Platen
Feed Rolls
Universal Bar
Escapement
Space Bar
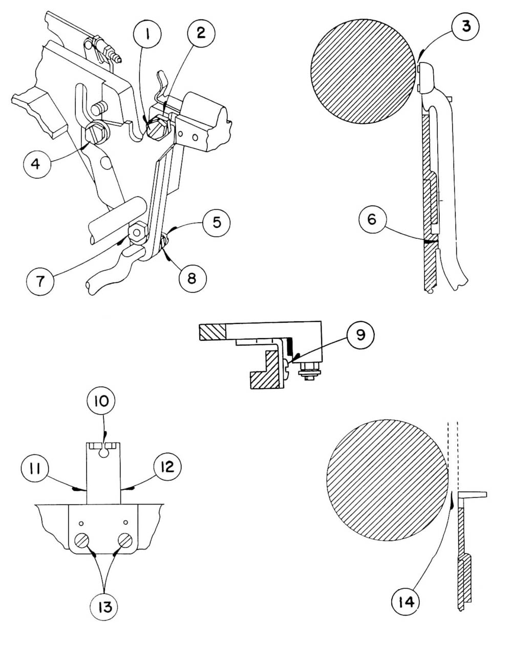
Segment
Ring and Cylinder - On Feet
Motion
Bichrome
Ribbon Spool Shafts
Ribbon Feed and Reverse
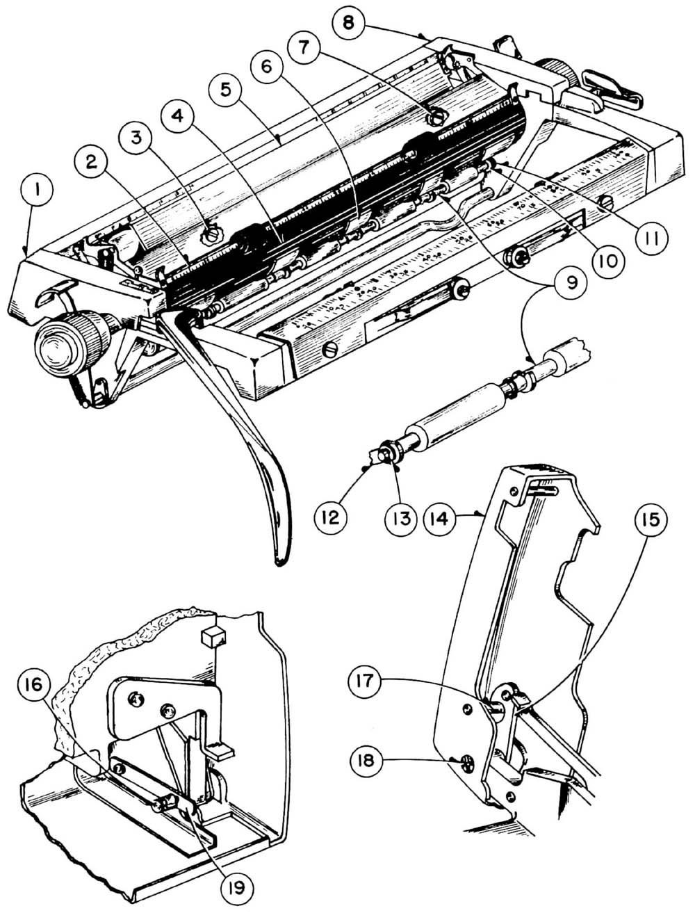
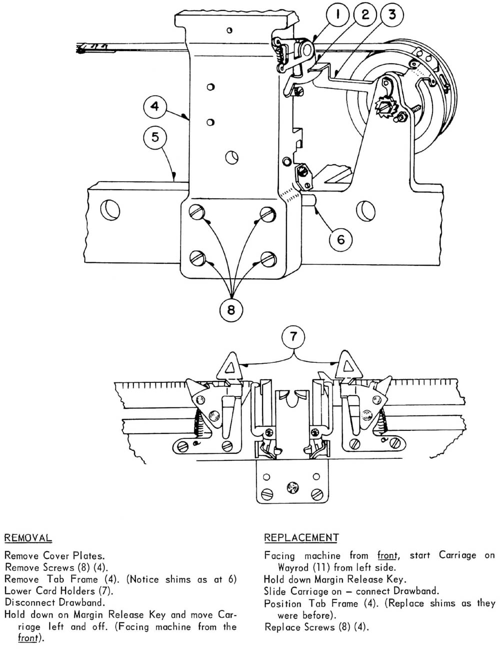
Tabulator Set and Clear
Tabulator
Left Margin
Right Margin
Backspacer
Tools






























