AMES Basic Training Manual for Standard Typewriters
By: Murray Harris
January, 1968
Remington Standard Typewriter Repair
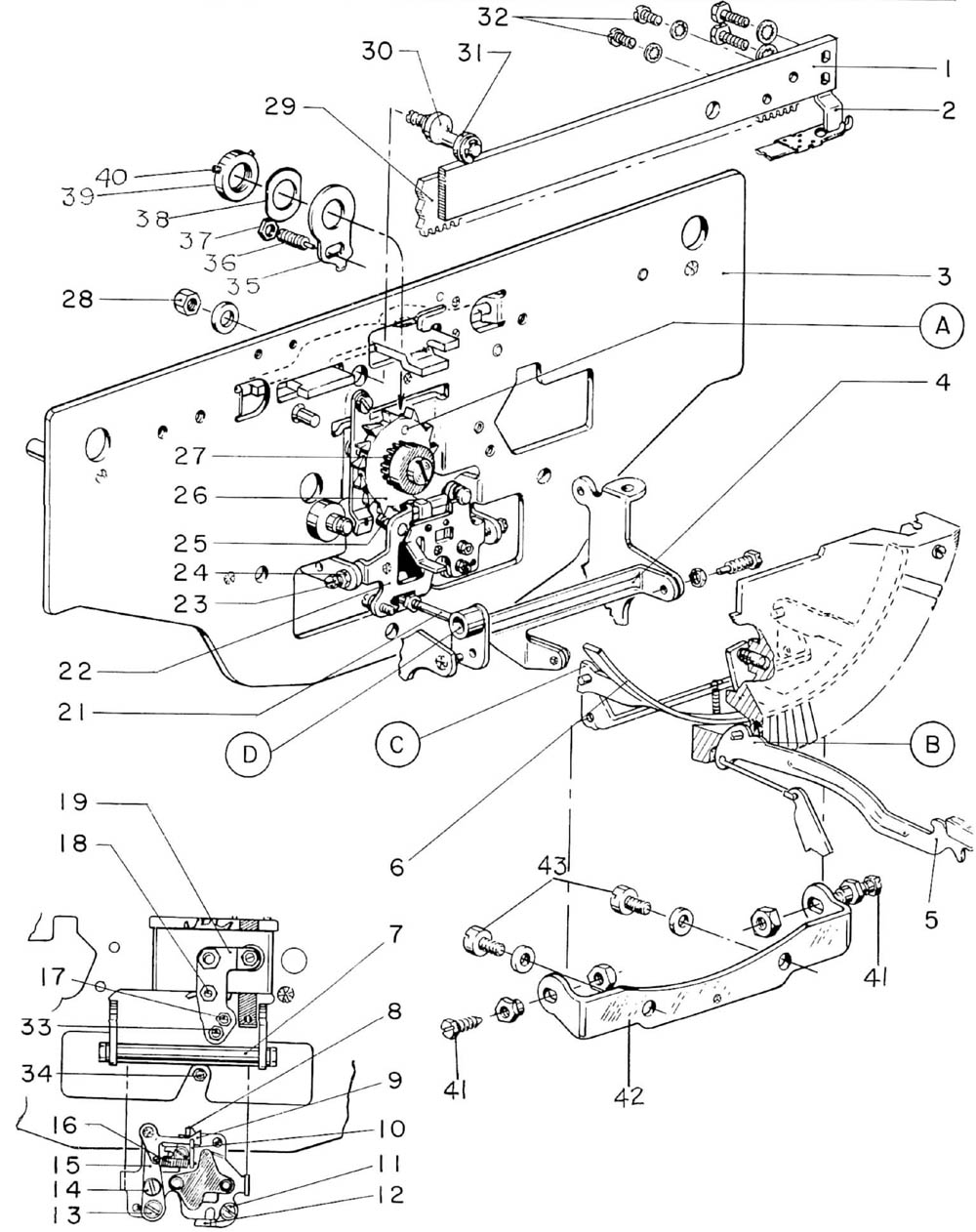
Cover Plates
Fold-A-Matic
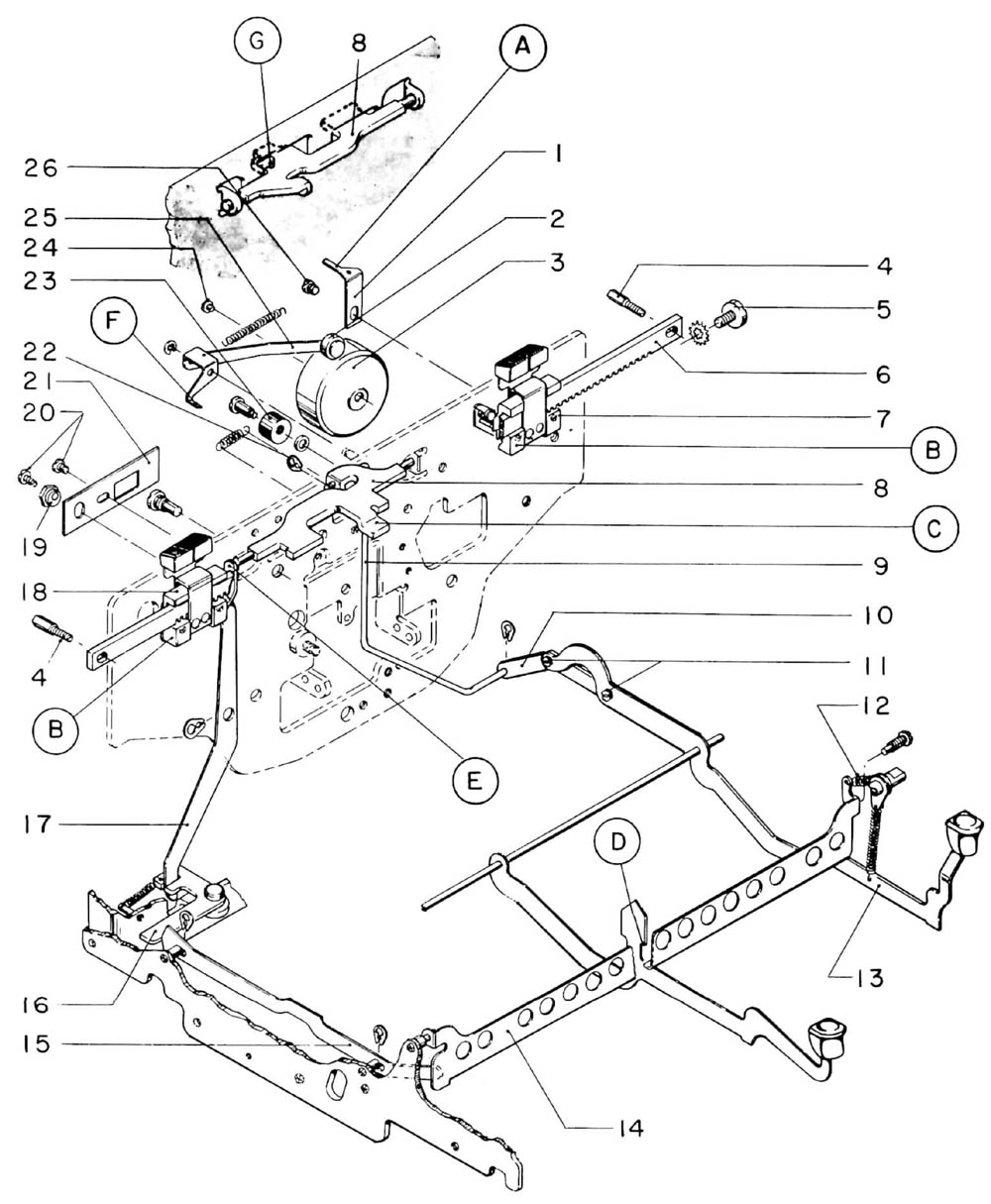
Carriage
Carriage Rack & Ring and Cylinder
Line Space Lever
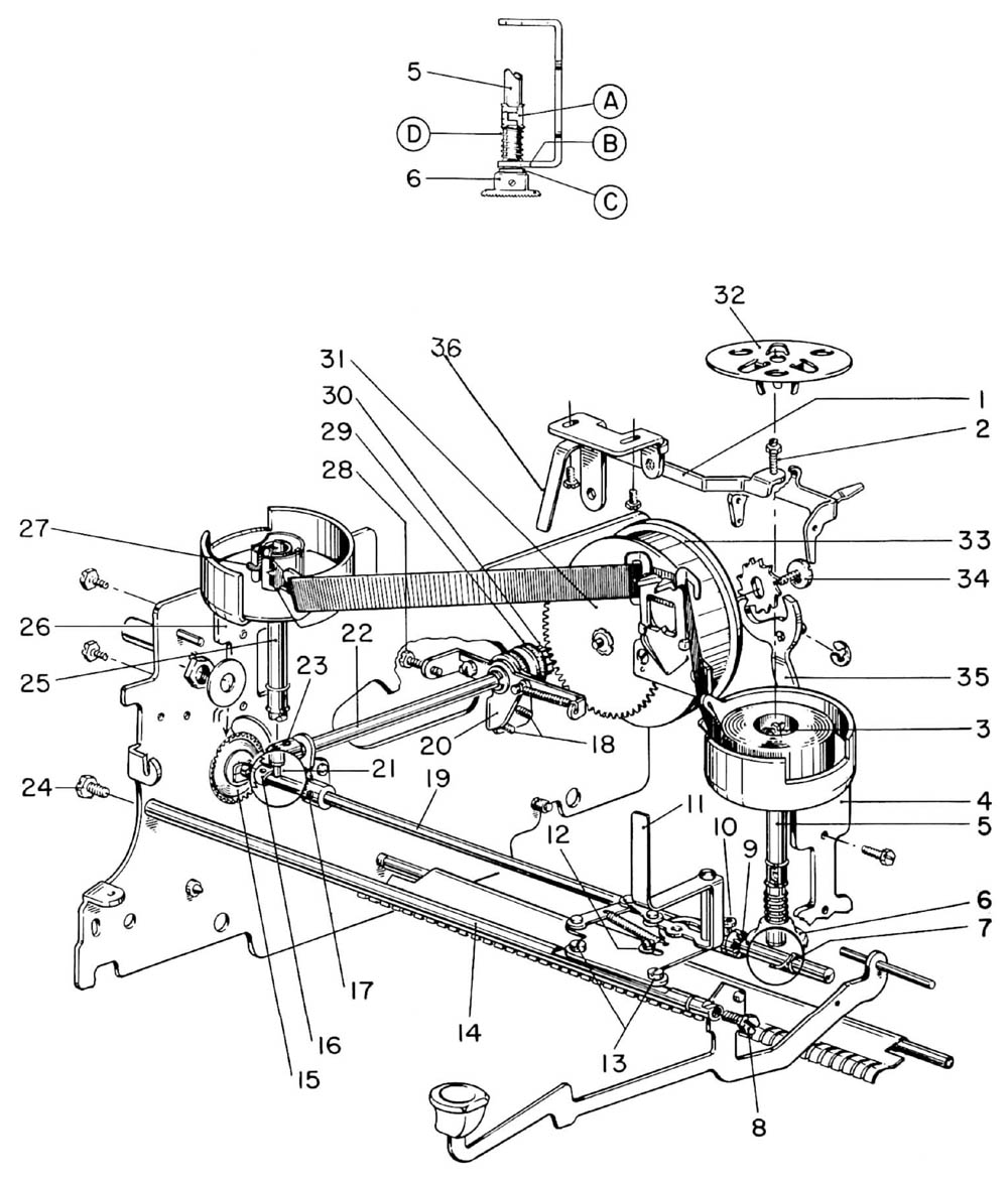
Platen
Feed Rolls
Mainspring
Universal Bar
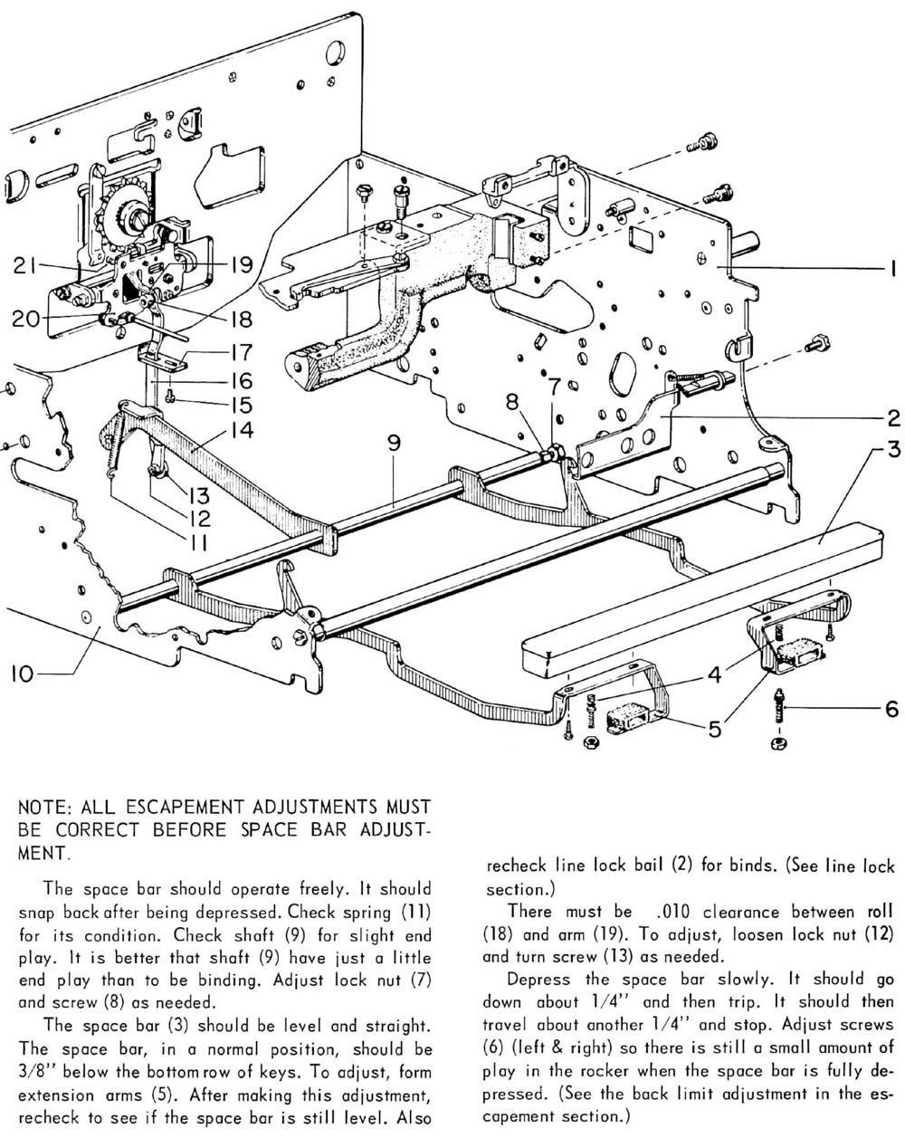
Escapement
Space Bar
Backspacer
Ribbon Feed and Reverse
Bichrome
On Feet - Motion
Margins
Tabulator
Tools






























