AMES Basic Training Manual for Standard Typewriters
By: Murray Harris
January, 1968
Olympia Standard Typewriter Repair
Type Bars & Covers
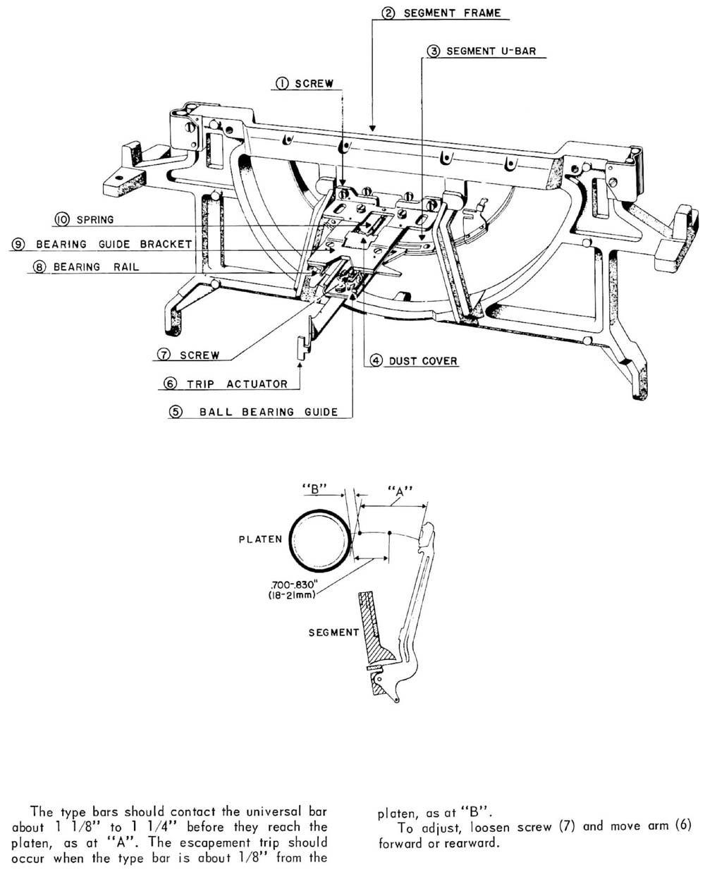
Carriage
Line Spacing
Paper Injector
Margins
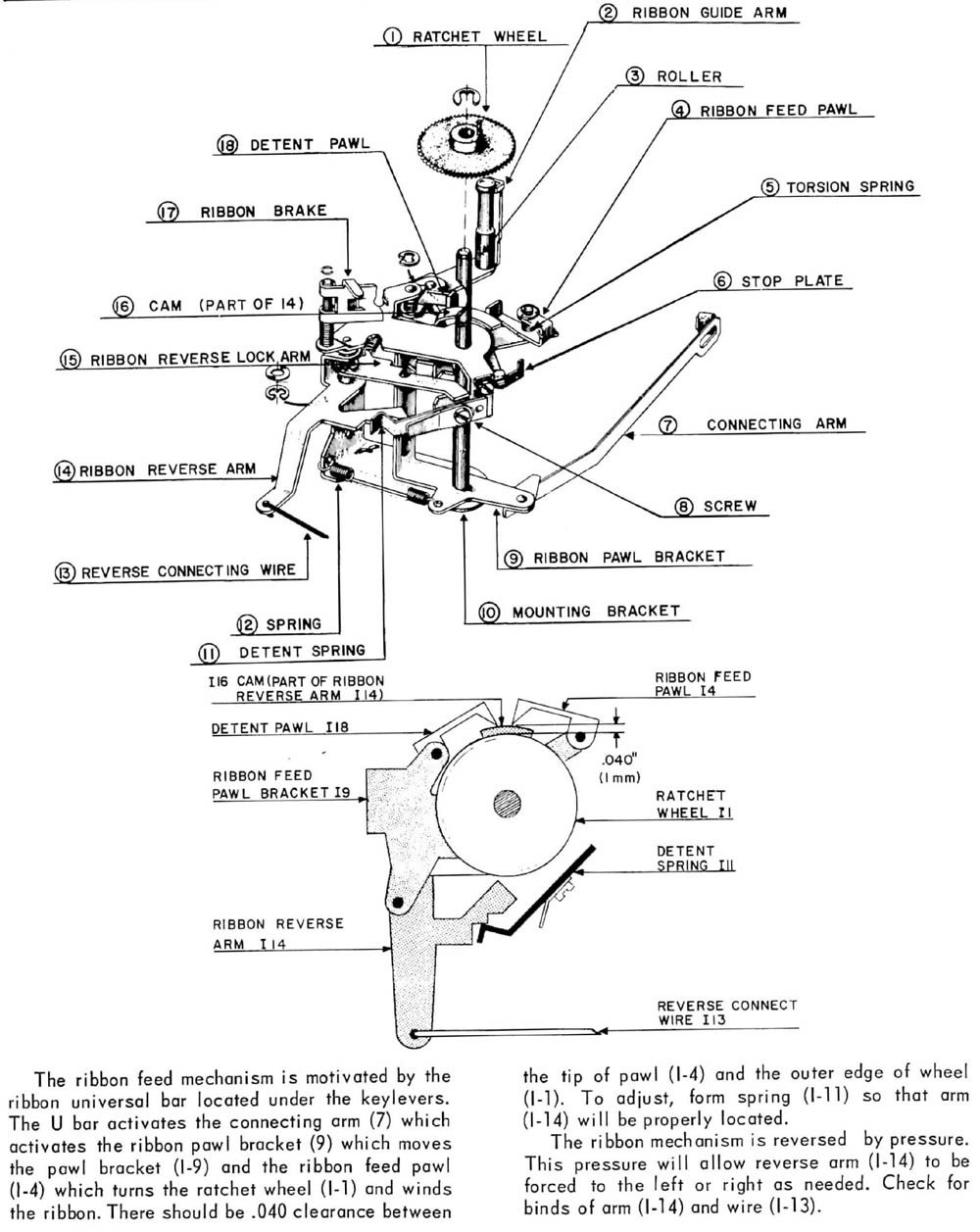
Ribbon Feed
Bichrome
Escapement
Master Trip
On Feet and Motion
Tabulator
Chart






























