AMES Basic Training Manual for Standard Typewriters
By: Murray Harris
January, 1968
Adler Standard Typewriter Repair
Base Cover Plates
Carriage Cover Plates
Carriage
Ring and Cylinder
Platen
Paper Feed
Variable
Line Spacer
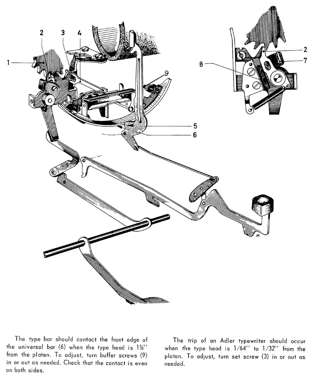
Universal Bar and Trip
Escapement
Space Bar
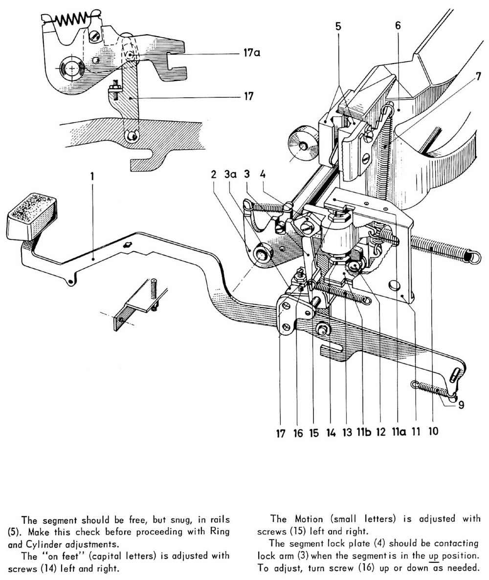
On Feet and Motion
Ribbon Feed
Bichrome
Tabulator Rack
Tabulator
Backspacer
Tools






























