AMES Basic Training Manual for Standard Typewriters
By: Murray Harris
January, 1968
Royal Standard Typewriter Repair
Cover Plates
Carriage Cover Plates
Carriage
Carriage Adjustment
Bottom Carriage Rail
Ring and Cylinder
Line Space Lever
Paper Feed
Escapement Rack
Escapement
Space Bar
Segment
On Feet - Motion
Bichrome
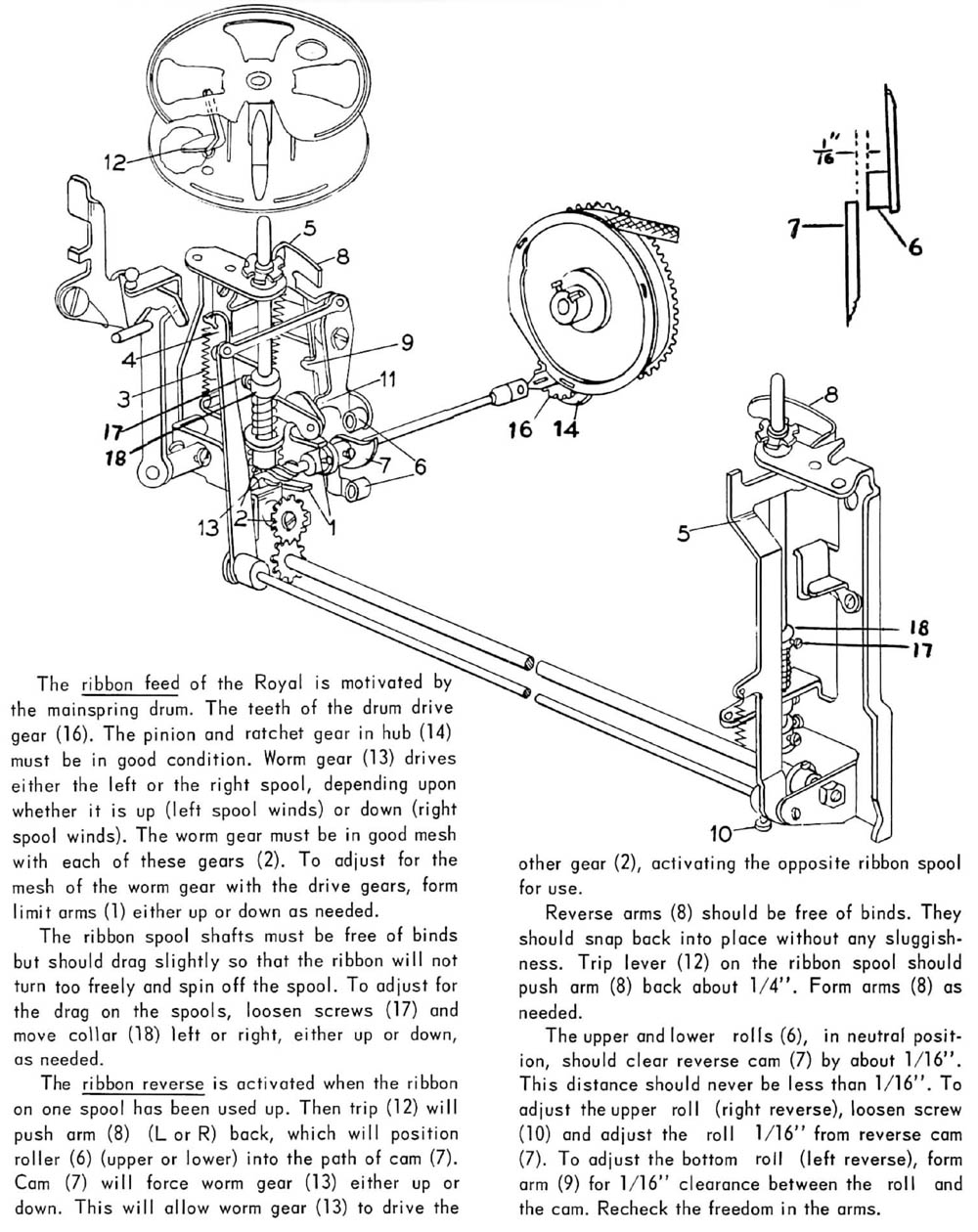
Ribbon Feed and Reverse
Mainspring
Left Margin
Right Margin
Tabulator Set and Clear
Tabulator
Backspacer
Tools






























