AMES Basic Training Manual for Standard Typewriters
By: Murray Harris
January, 1968
Hermes Standard Typewriter Repair
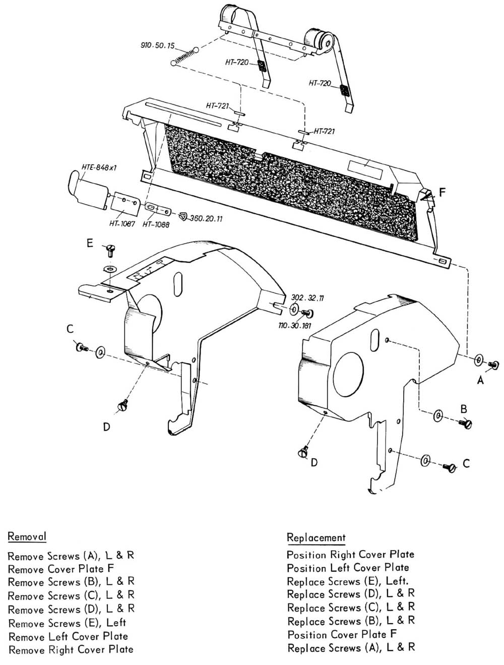
Cover Plates
Carriage Cover Plates
Carriage
Platen
Line Spacer
Paper Feed
Margins
Mainspring Tension
Ring and Cylinder
Escapement
Universal Bar and Trip
Space Bar
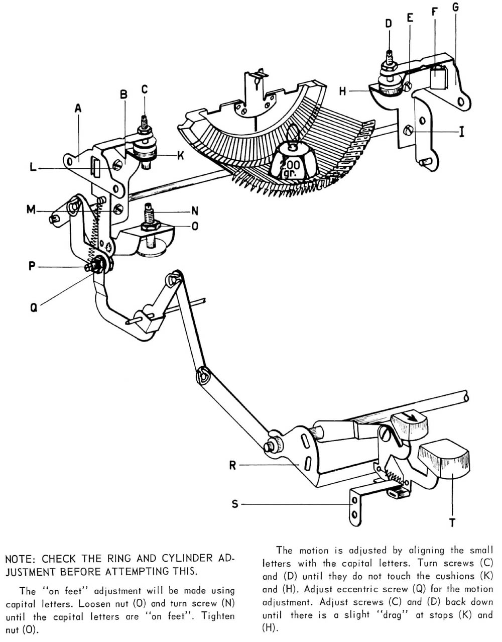
On Feet and Motion
Ribbon Feed and Reverse
Bichrome
Tabulator
Backspacer






























