AMES OAMI Mechanical Training Manual for Standard and Portable Typewriters
By: Clarence Leroy Jones
In 3 Volumes plus Addendum - Published 1945
Volume Three: Noiseless Typewriters
By: Byron L. Wolfe, Illustrations by: R. J. Tiller & Jack Lewis
Dismantling and Rebuilding Sequence
Clean and Adjust Sequence Check Sheet
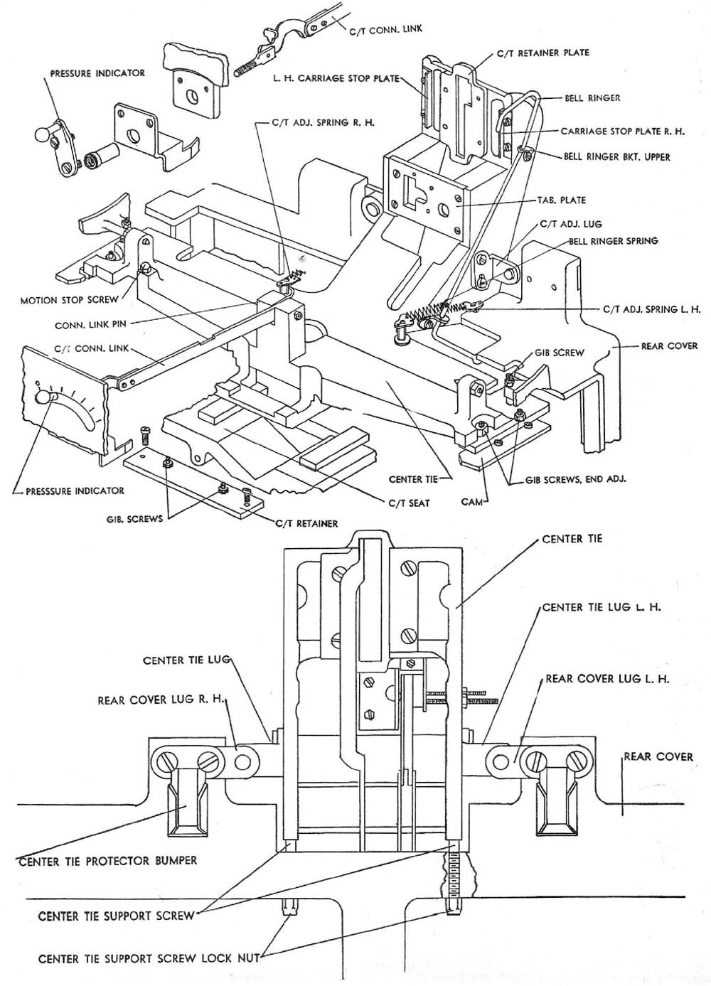
Center Tie
Carriage
Retainer and Roller Bracket (How to Remove the Carriage)
Platen and Variable
Line Space Mechanism
Feed Rolls, Paper Trough and Paper Fingers
Shift Mechanism
.060" Adjustment
"On Feet" Adjustment
Impression Adjustment
Motion Adjustment
The Escapement
Universal Bar Trip Adjustment
Back Space Mechanism
Space Bar Mechanism
Margin Release
Left Hand Margin Adjustment
Tabulator Adjustment
Bell Ringer Adjustment
Line Lock Adjustment
Ribbon Feed
Ribbon Cover
Aligning Scale (Line Finder)
Keylevers and Type Actions
Type Bars
Type Guide
Aligning






























