AMES OAMI Mechanical Training Manual for Standard and Portable Typewriters
By: Clarence Leroy Jones
In 3 Volumes plus Addendum - Published 1945
Volume Two: Portable Typewriters
Royal Portable Typewriter Repair
Cover Plates
Main Carriage
Mainspring and Drawband
Platen and Variable
Motion and Shift Mechanism
Ring and Cylinder
Paper Feed
Line Space Lever
Rack, Pinion and Starwheel
Margin Stops and Line Lock
Space Bar
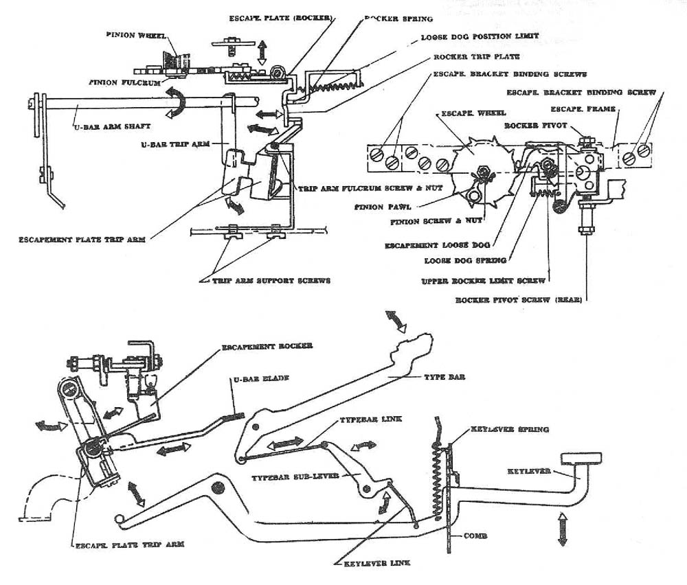
Universal Bar
Escapement Action
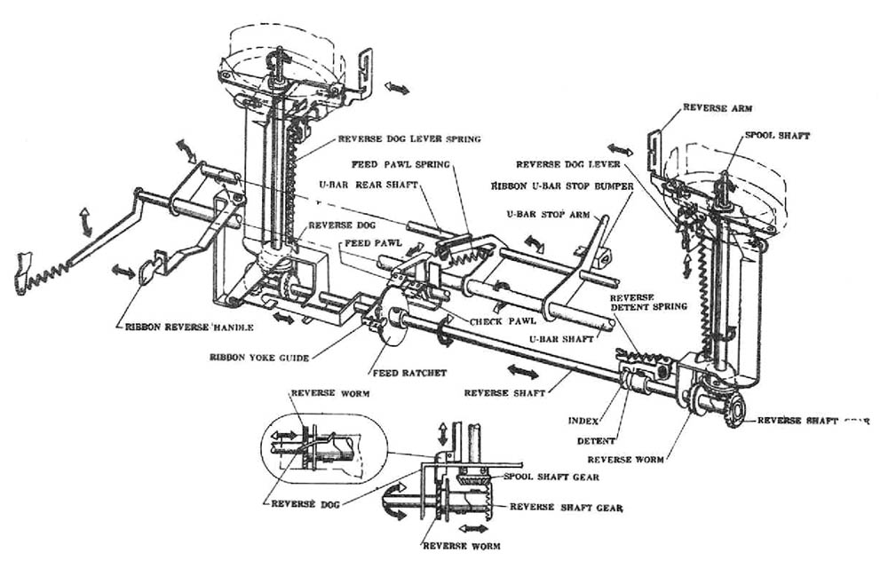
Ribbon Feed
Ribbon Bichrome
Tabulator
Back Spacer
Typebars






























