AMES OAMI Mechanical Training Manual for Standard and Portable Typewriters
By: Clarence Leroy Jones
In 3 Volumes plus Addendum - Published 1945
AMES OAMI Mechanical Training Manual for Standard Typewriter Repair
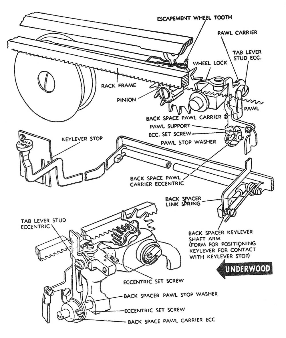
Backspacer
Remington
Royal
Underwood
Woodstock
L.C. Smith






























