AMES OAMI Mechanical Training Manual for Standard and Portable Typewriters
By: Clarence Leroy Jones
In 3 Volumes plus Addendum - Published 1945
Volume Two: Portable Typewriters
Underwood Portable Typewriter Repair
Cover Plates
Main Carriage
Mainspring and Drawband
Ring and Cylinder
Motion and Shift Mechanism
Platen
Variable
Paper Feed
Line Space Lever
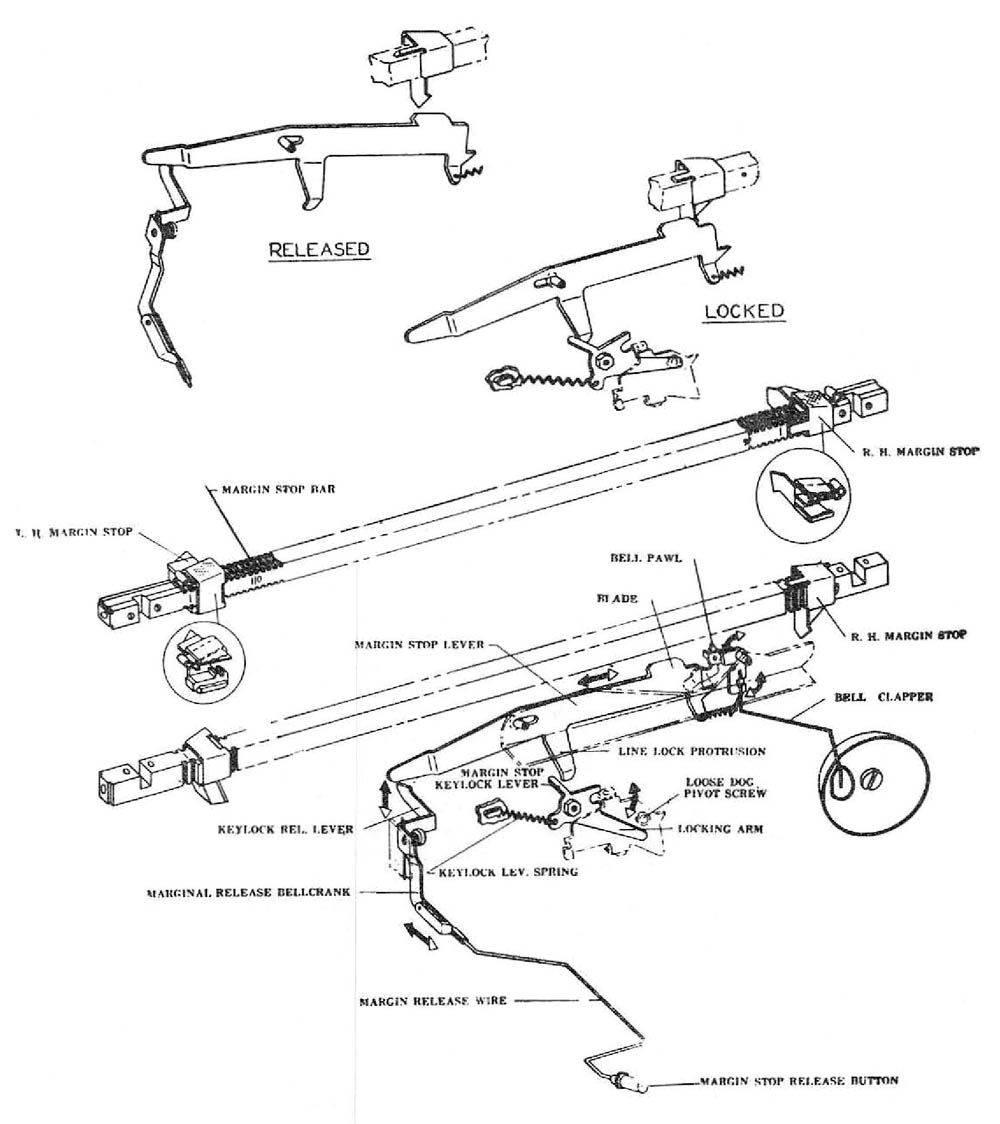
Margin Stops and Line Lock
Rack, Pinion and Starwheel
Universal Bar
Escapement Action
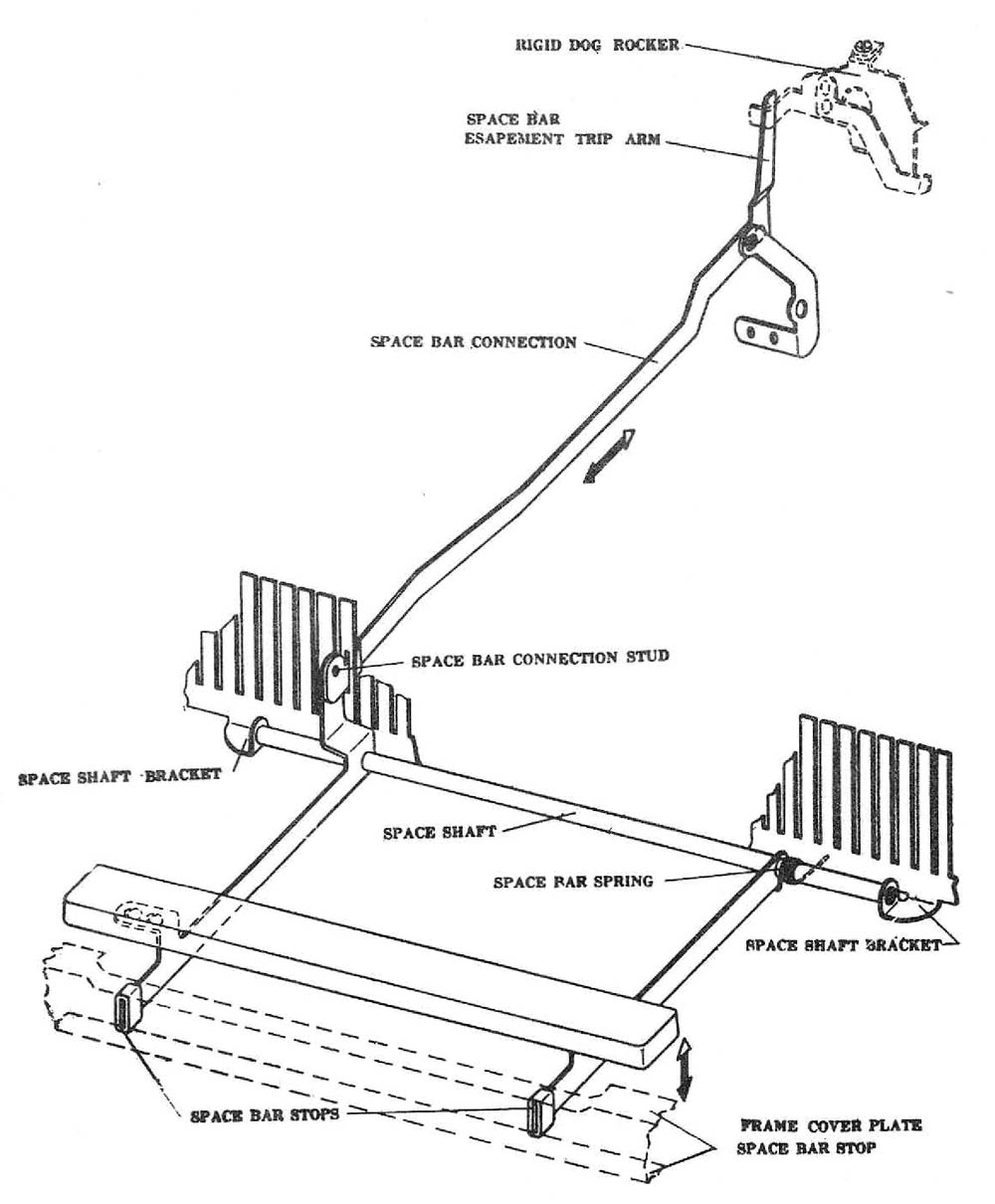
Space Bar
Ribbon Feed
Ribbon Bichrome
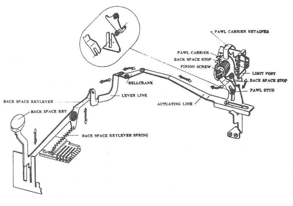
Back Spacer
Typebars






























